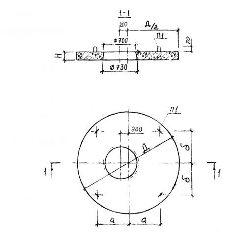
ПВГ 20 плиты перекрытия колодцев
Характеристики изделия:
| Параметр | Значение |
|---|---|
| длина | 2240 мм |
| ширина | 2240 мм |
| высота | 160 мм |
| масса | 1430 кг |
| нормативный документ | Альбом РК 2201-82 |
Цена:
Рассчитать стоимостьПВГ 20 Круглые плиты перекрытия с отверстием у центра Альбом РК 2201-82.
