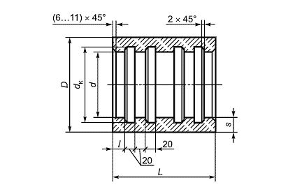
ТМ 12

Чертеж изделия:
Характеристики изделия:
ПараметрЗначение
длина240 мм
ширина549 мм
высота549 мм
масса46,5 кг
нормативный документГОСТ 31416-2009

ТМ 12   Муфты хризотилцементные для напорных теплопроводов ГОСТ 31416-2009.