ТМ 16

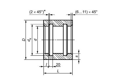
Чертеж изделия:
Характеристики изделия:
ПараметрЗначение
длина180 мм
ширина184 мм
высота184 мм
масса5,8 кг
нормативный документГОСТ 31416-2009

ТМ 16   Муфты хризотилцементные для напорных теплопроводов ГОСТ 31416-2009.