СНп 14-40

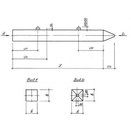
Чертеж изделия:
Характеристики изделия:
ПараметрЗначение
длина14000 мм
ширина400 мм
высота400 мм
масса5650 кг
нормативный документСерия 1.011-6

СНп 14-40   Сваи цельные сплошного квадратного сечения с напрягаемой арматурой из высокопрочной проволоки (Серия 1.011-6).