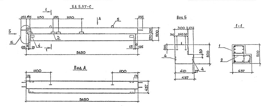
БЛ 5.57

Чертеж изделия:
Характеристики изделия:
ПараметрЗначение
длина5650 мм
ширина437 мм
высота500 мм
масса2500 кг
нормативный документСерия 1.020.1-2с/89

БЛ 5.57  Балки лестничные Серия 1.020.1-2с/89.