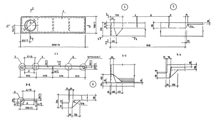
2ПВ 6 плиты ребристые
Характеристики изделия:
| Параметр | Значение |
|---|---|
| длина | 5970 мм |
| ширина | 1490 мм |
| высота | 250 мм |
| масса | 1530 кг |
| нормативный документ | Серия 1.065.1-2/94 |
Цена:
Рассчитать стоимость2ПВ 6 Плиты ребристые Серия 1.065.1-2/94.
| Параметр | Значение |
|---|---|
| длина | 5970 мм |
| ширина | 1490 мм |
| высота | 250 мм |
| масса | 1530 кг |
| нормативный документ | Серия 1.065.1-2/94 |
2ПВ 6 Плиты ребристые Серия 1.065.1-2/94.