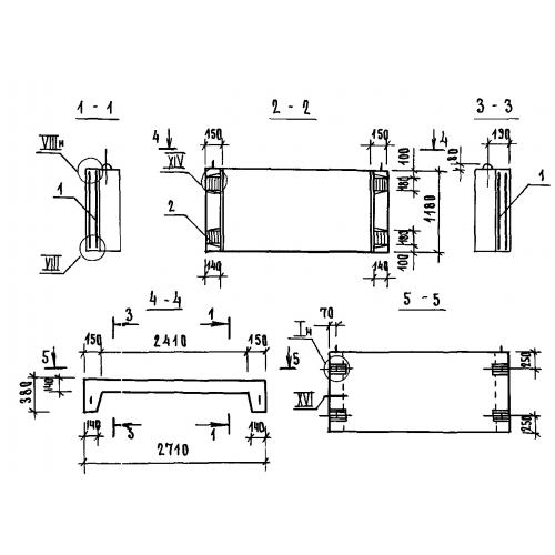
ПШЛ 160-12 панель шахты лифта доборная
Характеристики изделия:
| Параметр | Значение |
|---|---|
| длина | 2710 мм |
| ширина | 380 мм |
| высота | 1180 мм |
| масса | 1330 кг |
| нормативный документ | Серия 1.089.1-1 |
Цена:
Рассчитать стоимостьПШЛ 160-12 Панели шахт лифтов Серия 1.089.1-1.
| Параметр | Значение |
|---|---|
| длина | 2710 мм |
| ширина | 380 мм |
| высота | 1180 мм |
| масса | 1330 кг |
| нормативный документ | Серия 1.089.1-1 |
ПШЛ 160-12 Панели шахт лифтов Серия 1.089.1-1.
