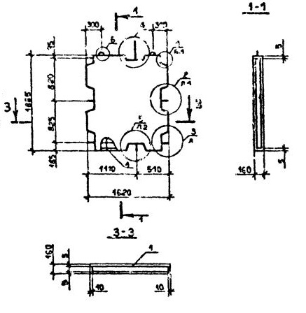
ПВЦ 16.19-1Т-С

Чертеж изделия:
Характеристики изделия:
ПараметрЗначение
длина1620 мм
ширина160 мм
высота1865 мм
масса1090 кг
нормативный документСерия 1.090.1-2с

ПВЦ 16.19-1Т-С  Панели внутренние нулевого цикла (цокольные) Серия 1.090.1-2с.

1Т - бетон  тяжелый марки М150.

С - для сейсмических районов.