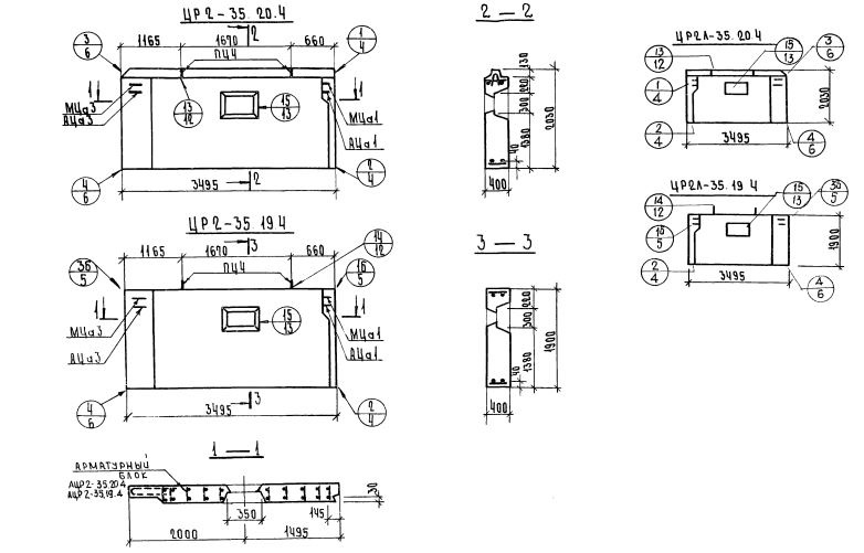
ЦР2-35.20.4
Характеристики изделия:
| Параметр | Значение |
|---|---|
| длина | 3495 мм |
| ширина | 400 мм |
| высота | 2030 мм |
| масса | 4690 кг |
| нормативный документ | Серия 1.117-13 |
Цена:
Рассчитать стоимостьСерия 1.117-13 Панели наружных цокольных стен групп ЦР2; ЦТ1; ЦТ2 толщиной 300, 350, 400 мм.
ЦР2-35.20.4 Панель наружных цокольных стен.
Р2 - группа изделия (рядовая с конструктивными особенностями).
Цифровое обозначение (цифры записаны через точку) указывает на габариты изделия (длина, высота, толщина) в дециметрах.
В несимметричных изделиях "правая" панель дополнительного индекса не имеет, в маркировке "левой" зеркальной панели после характеристики группы изделий проставляется буква "л".