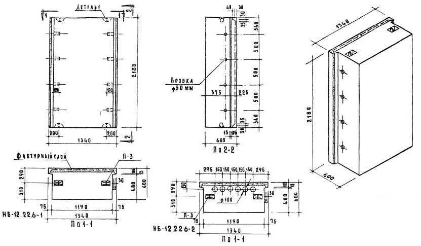
НБ-12.22.6-2

Чертеж изделия:
Характеристики изделия:
ПараметрЗначение
Длина1340 мм
Ширина600 мм
Высота2180 мм
Масса2915 кг
Нормативный документСерия 1.133-1

Стеновые легкобетонные блоки толщиной 60 см по Серии 1.133-1.

НБ-12.22.6-2   Простеночный блок.