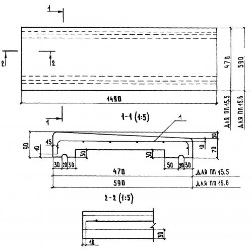
ПП 15.6

Чертеж изделия:
Характеристики изделия:
ПараметрЗначение
длина1490 мм
ширина590 мм
высота70 мм
масса130 кг
нормативный документСерия 1.238-1

ПП 15.6  Плиты парапетные Серия 1.238-1.