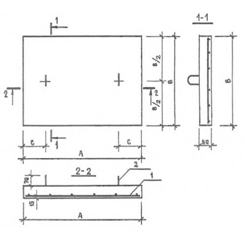
ПТ 11.9 плиты плоские железобетонные

Чертеж изделия:
Характеристики изделия:
ПараметрЗначение
длина1100 мм
ширина900 мм
высота80 мм
масса198 кг
нормативный документСерия 1.243.1-4

ПТ 11.9  Плиты плоские железобетонные Серия 1.243.1-4.