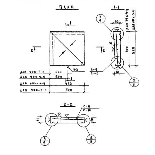
УФК 5-5

Чертеж изделия:
Характеристики изделия:
ПараметрЗначение
длина520 мм
ширина520 мм
высота80 мм
вес50 кг
серия1.269-1

УФК 5-5 Фризовые камни угловые по серии 1.269-1.