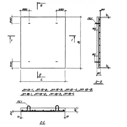
ЛП 18-2 лестничные площадки

Чертеж изделия:
Характеристики изделия:
ПараметрЗначение
длина1890 мм
ширина1790 мм
высота80 мм
масса670 кг
нормативный документСерия 1.450-1

 ЛП 18-2  Площадки для междуэтажных лестничных маршей Серия 1.450-1.