ПСД 12.12.20

Чертеж изделия:
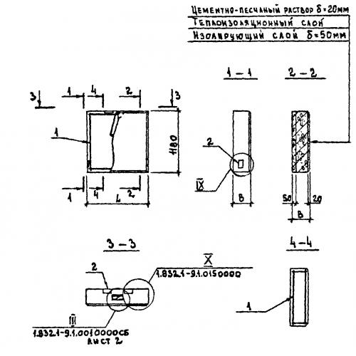
Характеристики изделия:
ПараметрЗначение
длина1180 мм
ширина200 мм
высота1180 мм
вес470 кг
серия1.832.1-9

ПСД 12.12.20 Панели стеновые двухслойные по серии 1.832.1-9.