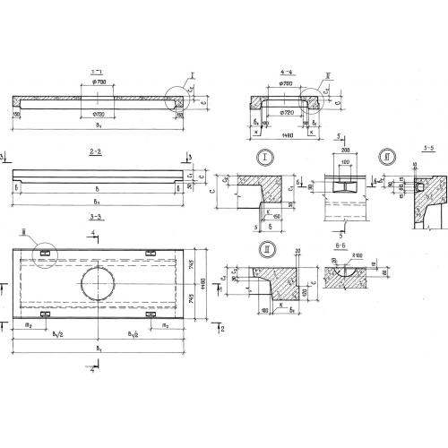
ПТО 36

Чертеж изделия:
Характеристики изделия:
ПараметрЗначение
длина4000 мм
ширина1490 мм
высота340 мм
масса2950 кг
нормативный документСерия 3.006.1-3/83

ПТО 36  Плиты перекрытия тоннелей с отверстием Серия 3.006.1-3/83.