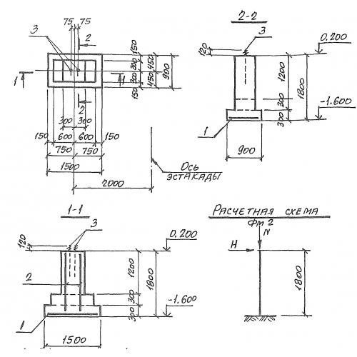
Фм 2

Чертеж изделия:
Характеристики изделия:
ПараметрЗначение
длина1500 мм
ширина900 мм
высота1800 мм
масса2750 кг
нормативный документСерия 3.016.2-12

Фм 2  Фундаменты монолитные Серия 3.016.2-12.