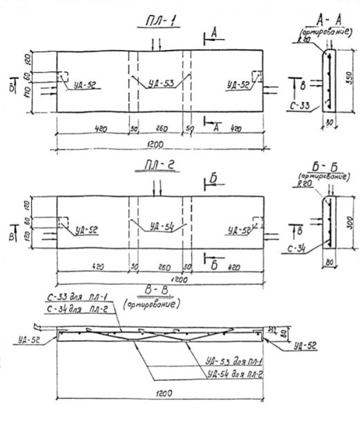
ПЛ-1 ступени
Характеристики изделия:
| Параметр | Значение |
|---|---|
| длина | 1200 мм |
| ширина | 350 мм |
| высота | 80 мм |
| масса | 85 кг |
| нормативный документ | Серия 3.407-102 |
Цена:
Рассчитать стоимостьПЛ-1 Ступени Серия 3.407-102.
| Параметр | Значение |
|---|---|
| длина | 1200 мм |
| ширина | 350 мм |
| высота | 80 мм |
| масса | 85 кг |
| нормативный документ | Серия 3.407-102 |
ПЛ-1 Ступени Серия 3.407-102.