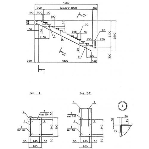
КЛ 495.210 Косоур лестничных сходов

Чертеж изделия:
Характеристики изделия:
ПараметрЗначение
длина4950 мм
ширина200 мм
высота300 мм
вес9750 кг
нормативный документСерия 3.503.1-96

КЛ 495.210 Косоуры лестничных сходов по Серии 3.503.1-96.