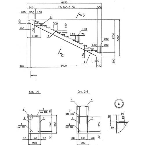
КЛ 615.270 Косоур лестничных сходов

Чертеж изделия:
Характеристики изделия:
ПараметрЗначение
длина6150 мм
ширина200 мм
высота300 мм
вес1250 кг
нормативный документСерия 3.503.1-96

КЛ 615.270 Косоуры лестничных сходов по Серии 3.503.1-96.