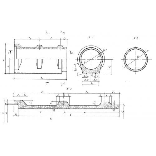
ТПР 120.25

Чертеж изделия:
Характеристики изделия:
ПараметрЗначение
длина2610 мм
ширина1420 мм
высота1710 мм
масса4500 кг
нормативный документСерия 3.820.1-81.94

ТПР 120.25  Труба бетонная безнапорная ребристая раструбная с подошвой, имеющая стыковое соединение втулочного конца. Уплотнение стыковой поверхности таких элементов производится герметиками. Серия 3.820.1-81.94.