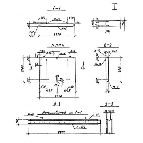
СПК-4.0

Чертеж изделия:
Характеристики изделия:
ПараметрЗначение
длина2870 мм
ширина2000 мм
высота180 мм
масса2580 кг
нормативный документСерия 3.903 КЛ-13

СПК-4.0  Средняя панель камеры по Серии 3.903 КЛ-13.