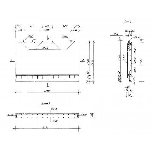
ЛС 24-15

Чертеж изделия:
Характеристики изделия:
ПараметрЗначение
длина2380 мм
ширина1490 мм
высота160 мм
масса1350 кг
нормативный документСерия ИИС 04-7

ЛС 24-15 Опорные панели стеновые по Серии ИИС 04-7.