БЛ

Чертеж изделия:
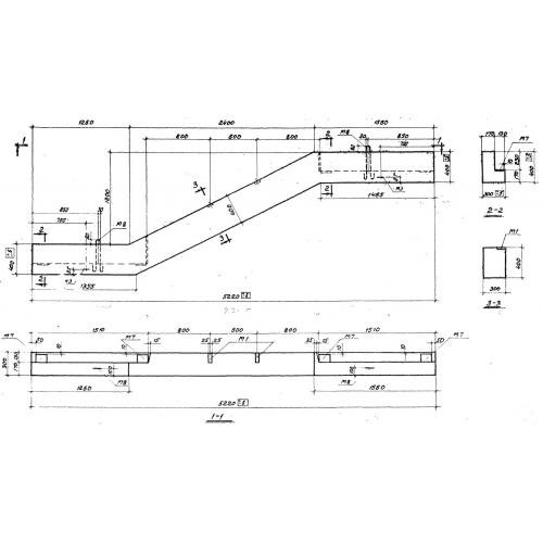
Характеристики изделия:
ПараметрЗначение
длина5220 мм
ширина300 мм
высота400 мм
вес1630 кг
серияИИ 27-1

БЛ Балки по серии ИИ 27-1.