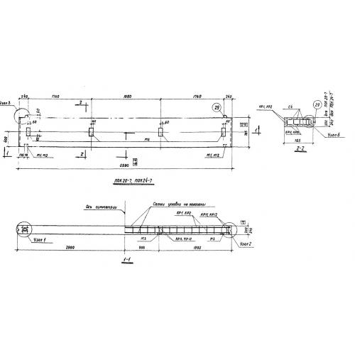
ПОК 20

Чертеж изделия:
Характеристики изделия:
ПараметрЗначение
длина5980 мм
ширина785 мм
высота200 мм
вес850 кг
серияСТ 02-18

ПОК 20 Панели керамзитобетонные однослойные по серии СТ 02-18.