ПСП 10.6.2.5

Чертеж изделия:
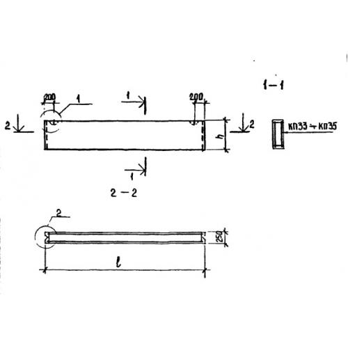
Характеристики изделия:
ПараметрЗначение
длина980 мм
ширина250 мм
высота640 мм
вес130 кг
серияТП 213-2-183

ПСП 10.6.2.5 Плиты стеновые парапетные по проекту ТП 213-2-183.