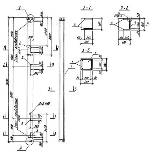
К

Чертеж изделия:
Характеристики изделия:
ПараметрЗначение
длина10800 мм
ширина400 мм
высота400 мм
вес4325 кг
серияТП 901-5-47.90

К Колонны по проекту ТП 901-5-47.90.