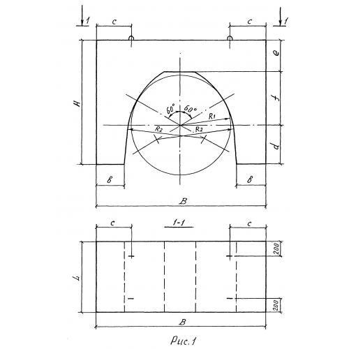
УБКм 325 Утяжелители
Характеристики изделия:
| Параметр | Значение |
|---|---|
| длина | 900 мм |
| ширина | 800 мм |
| высота | 550 мм |
| масса | 740 кг |
| нормативный документ | ТУ 102-421-86 |
Цена:
Рассчитать стоимостьУБКм 325 Утяжелители болотные клиновидные модифицированные по ТУ 102-421-86.
